18650023503

作者:寶維家 時間:2018-05-29 15:23:21


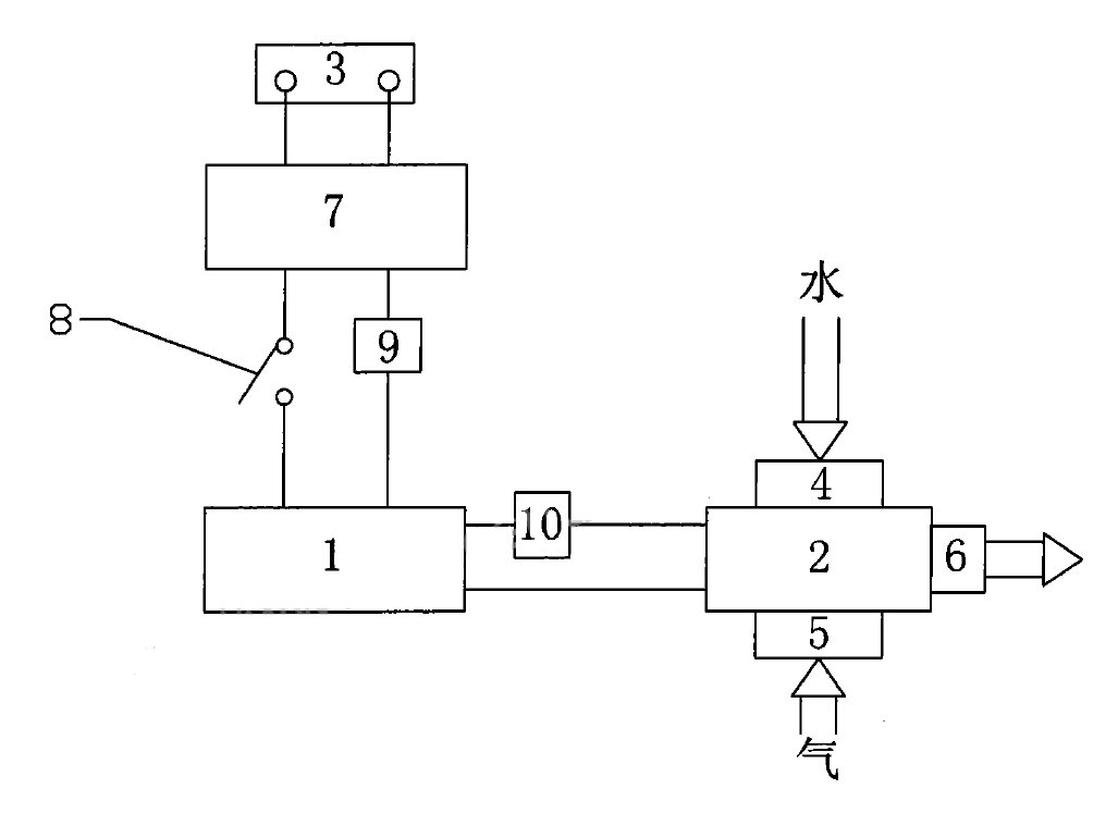
寶維家VJ-081清洗機高端鋁合金航空箱設計簡約牢固,設備面板簡潔、設計精細,易于清洗打理。水管側漏和遙控方便、安全,采用CACS清洗技術通過第五代水汽混合脈沖裝置形成水汽混合螺旋脈沖對管路形成360°螺旋周波脈沖沖刷,清洗壓力低于0.35MPa,安全、高效、環保。適用于家庭自來水管、地暖管道等有源管路。
產品特點:經過歐盟CE安全認證機器,通過國內機器產品質量檢測,清洗設備采用熱熔垢+脈沖頻率+殺菌抑菌,水槌直沖、順洗逆洗、螺旋和周波震蕩的先進技術管道清洗設備,公司的管道清洗技術為國內創新、效果佳,解決自來水管道污染之難題。
產品型號:VJ-081(基礎版)
顏色/尺寸:啞光銀/42CM*39CM*25CM
電壓功率:DC24V 4A 96W
脈沖模塊:高周波脈沖發生器
是否過壓保護:是
工作壓力:2-3kgf/cm2(約0.2-0.3MPa)
抽液流量:6-7L/min
遙控距離:500M
外箱:鋁合金航空箱
面板:304不銹鋼
配件:304不銹鋼
具備功能:高周波脈沖清洗、水管測漏、快速抽液,高穿透遙控、防氣堵、消毒、注液清洗、脈沖時長設定、安全壓力設定、防爆管自動斷壓保護。
適用范圍:家庭自來水管道清洗、冷熱交換系統管道、地暖管道等有源或無源管道。